Trasfhoirmeoir Reatha CT
Trasfhoirmeoir Reatha Ct Leictreach Roisín
  • Trasfhoirmeoir Reatha Ct Leictreach RoisínTrasfhoirmeoir Reatha Ct Leictreach Roisín
  • Trasfhoirmeoir Reatha Ct Leictreach RoisínTrasfhoirmeoir Reatha Ct Leictreach Roisín

Trasfhoirmeoir Reatha Ct Leictreach Roisín

Is monarú gairmiúil é Wenzhou XiFa Electric Power Equipment Co., Teo chun claochladán reatha ct leictreach teilgthe roisín a tháirgeadh, áit a nglactar leis sa lascthrealamh leictreach 10 kv go 35 kv. I Wenzhou XiFa, réitigh an fhoireann táirgthe roisín eapocsa i dtimpeallacht folúis chun boilgeoga a bhaint as taobh an chlaochladáin reatha agus cosc ​​a chur ar scaoileadh páirteach ar an dromchla. Idir an dá linn, déantar an claochladán reatha ct leictreach teilgthe roisín a dhearadh mar struchtúr inslithe ilchiseal chun feidhmíocht níos fearr a bhaint amach ar fhriotaíocht voltais agus ar chobhsaíocht fhadtéarmach.

Is é an claochladán reatha ct leictreach teilgthe roisín ná aonad cineál post faoi dhíon, roisín eapocsa, teilgthe i bhfolús, atá deartha le haghaidh córais chumhachta leibhéal voltais 10kv le minicíocht rátáilte 50 Hz. Úsáidtear é go príomha le haghaidh tomhas reatha, méadrú fuinnimh, agus sealaíochta cosanta.

Glacann an claochladán reatha ct leictreach teilgthe roisín próiseas réitigh roisín eapocsa atá faoi iamh go hiomlán, ina bhfuil an croí déanta as ábhar maighnéadach ardghrád, agus tá na cornaí bunscoile agus tánaisteacha mar aon leis an gcroí leabaithe i roisín. Soláthraíonn an tógáil seo feidhmíocht den scoth ar insliú, friotaíocht taise, agus friotaíocht truaillithe. Ní éilíonn dromchla claochladán reatha ct leictreach teilgthe roisín aon sciath breise, agus is féidir an claochladán reatha a shuiteáil i suíomhanna iolracha.

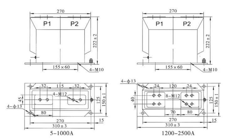
Clúdaíonn an raon an dá rang tomhais, mar shampla 0.2S agus 0.5S, agus ranganna cosanta, mar shampla 10P10 agus 10P20. Tá dearadh ilchóimheas ar fáil ar chlaochladán reatha ct leictreach teilgthe roisín, chun é a dhéanamh feiliúnach go maith le húsáid i bpainéil leictreacha atá clúdaithe le miotail.

Resin Cast Electrical Ct Current TransformerResin Cast Electrical Ct Current Transformer

Sonraíocht Theicniúil:

Cineál Reatha Bunráta (A) Rang Cruinneas Cruinneas Aicme agus Aschur Rátáilte cosΦ=0.8 Sruth Teirmeach Am Shory (kA/S) Reatha Dinimiciúla Rátáilte(kA)
0.2 (í) 0.5 (s) 10P10 10P15 10P20
LZZBJ9-10 5-150 0.2s/0.5 0.2s/10P 0.2/10P 0.5s/10P 0.5/10P 10 10 15 15 10 100I1n 250I1n
200-300 31.5 80
400-500 45 112
600-1000 63 130
1200-1500 80 160
2000-2500 100 180

Resin Cast Electrical Ct Current Transformer

Ceisteanna Coitianta Táirge:

C: Cad iad na paraiméadair theicniúla ba cheart a sheiceáil nuair a bhíonn claochladán reatha leictreach ct teilgthe roisín á roghnú?

A: déanfar na príomhpharaiméadair seo a leanas a sheiceáil nuair a roghnaíonn tú:

1.Aicme cruinnis: Chun críocha méadraithe/tomhais (m.sh. 0.2s nó 0.5) agus chun críocha cosanta (m.sh. 10P10, 5P10, etc.).

2.Rated bunscoile reatha agus tánaisteach reatha (an cóimheas claochlaithe).

3.Short time reatha teirmeach (Ith) agus gearr-ama reatha cumas ainneoin (do choinníollacha locht).

Leibhéil 4.Insliú (seasamh voltas, rátáil voltais impulse, etc.).

lamháltais 5.Environmental: Raon teochta, airde, taise, leibhéal truaillithe.

6.Burden: an t-ualach VA ní mór don tánaisteach tiomáint gan cruinneas díghrádaithe.

C: Cad iad na timpeallachtaí nó na feidhmeanna ina bhfuil claochladáin reatha leictreach ct teilgthe roisín oiriúnach go háirithe?

A: tá an timpeallacht nó an feidhmchlár seo a leanas oiriúnach do chlaochladán reatha leictreach ct teilgthe roisín:

Lascthrealamh 1.Indoor, áit a bhfuil spás teoranta agus tá insliú ríthábhachtach.

2.I dtimpeallachtaí crua nó truaillithe (deannaigh, taise, ceimiceáin) ina bhféadfadh páirteanna oscailte nó ola díghrádú.

3.I ciorcaid méadraithe agus cosanta a éilíonn tomhas cobhsaí, cruinn thar thréimhsí fada.

4.Applications áit a bhfuil cothabháil íseal agus iontaofacht ard tábhachtach.

Hot Tags: Roisín Cast Soláthraí Trasfhoirmeoir Reatha, Monaróir Trasfhoirmeoir CT Leictreach, Trasfhoirmeoir CT Saincheaptha Mórdhíol
Seol Fiosrúchán
Eolas teagmhála

Chun do luachan a fháil ASAP

XiFa-do sholáthraí iontaofa trealaimh leictrigh
X
Úsáidimid fianáin chun eispéireas brabhsála níos fearr a thairiscint duit, chun anailís a dhéanamh ar thrácht an tsuímh agus chun inneachar a phearsantú. Trí úsáid a bhaint as an suíomh seo, aontaíonn tú lenár n-úsáid a bhaint as fianáin. Beartas Príobháideachta
Diúltaigh Glac