Trasfhoirmeoir Reatha CT
Seicheamh nialasach Ct Trasfhoirmeoir Reatha Cineál Taoschnó
  • Seicheamh nialasach Ct Trasfhoirmeoir Reatha Cineál TaoschnóSeicheamh nialasach Ct Trasfhoirmeoir Reatha Cineál Taoschnó
  • Seicheamh nialasach Ct Trasfhoirmeoir Reatha Cineál TaoschnóSeicheamh nialasach Ct Trasfhoirmeoir Reatha Cineál Taoschnó

Seicheamh nialasach Ct Trasfhoirmeoir Reatha Cineál Taoschnó

Chun seicheamh nialasach cáilíochta soladach ct claochladán reatha cineál donut a tháirgeadh, glacann Wenzhou XiFa Electric Power Equipment Co., Teo amhábhar le dea-chaighdeán agus praghas iomaíoch. Sa phróiseas foirceannadh, glacann Wenzhou XiFa sreang enameled copar saor ó ocsaigine chun seoltacht leictreach agus neart meicniúil a chinntiú do gach seicheamh nialasach ct cineál donut claochladán reatha. Idir an dá linn, i bpróiseas táirgthe lárnacha, úsáideann Wenzhou XiFa leathán cruach sileacain tréscaoilteachta maighnéadach ard chun feidhmíocht den scoth a choinneáil ar fhreagra íogair ar sheicheamh beag bídeach náid reatha.

Is casadh aonair é claochladán reatha seicheamh nialasach ct, trí chroíghléas a úsáidtear i gcórais chumhachta chun monatóireacht a dhéanamh ar shruthanna seicheamh nialasach. Feidhmíonn sé mar chomhpháirt ríthábhachtach de chórais sealaíochta cosanta, a úsáidtear go príomha chun lochtanna talún, sruthanna sceite agus monatóireacht inslithe a bhrath. Trí shuim veicteora de shruthanna trí phas a bhrath agus an t-ord nialasach reatha mar thoradh air, is féidir leis an gclaochladán reatha ct seicheamh nialasach oibríochtaí cosanta a spreagadh agus comhéadan a dhéanamh le roghnóirí talún íseal-srutha, feistí digiteacha armónacha faoi chois, agus aonaid chosanta sealaíochta chun foláirimh locht a sholáthar agus cumhacht a dhícheangal.

Go struchtúrach, is éard atá sa chlaochladán reatha náid náid ct ná croí toroidal agus foirceannadh tánaisteach atá cuimsithe laistigh de roisín eapocsa nó tithíocht rubair silicone, ag tairiscint friotaíocht taise agus flash truaillithe thar chosaint. I measc na roghanna suiteála tá soladach , a éilíonn cáblaí réamh-rochtana agus dearaí croí scoilte, a cheadaíonn iarfheistiú gan cáblaí a dhícheangal.

Tá sé comhoiriúnach le córais chumhachta 50 Hz, a sholáthraíonn an íogaireacht agus an líneacht atá ag teastáil le haghaidh cumraíochtaí pointe neodracha éagsúla, lena n-áirítear córais bunaithe agus gan talamh. Cuirtear claochladáin reatha nialais ct i bhfeidhm go forleathan i ngreillí cliste, idirthuras iarnróid, córais leictreacha tógála, agus monatóireacht trealaimh thionsclaíoch, chun braite locht iontaofa agus cosaint an chórais a sholáthar.

Zero Sequence Ct Current Transformer Donut TypeZero Sequence Ct Current Transformer Donut Type

Cineál Cineál Sealaíochta Modh Ceangail Scála Luach Reatha Bunscoile Cineál Cineál Sealaíochta Modh Ceangail Scála Luach Reatha Bunscoile
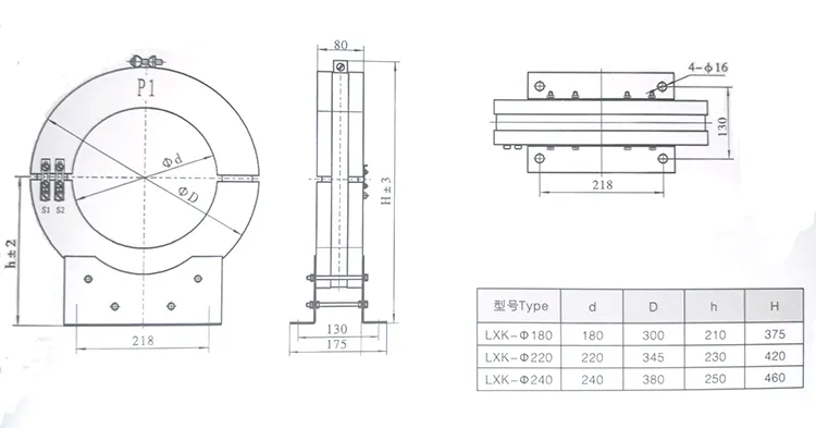
LXK-Φ80 LXK-Φ100 LXK-Φ120 LXK- Φ150 DD11/60 Sraith 15*1 2.4-4.5 LXK-Φ180 LXK-Φ220 LXK-Φ240 DD11/60 Sraith 15*1 2.4-4.5
30*1 30*1
Comhthreomhar 15*2 3-5 Comhthreomhar 15*2 3-5
30*2 30*2
DD1/60 Sraith 15*1 3-5 DD1/60 Sraith 15*1 3-5
30*1 30*1
Comhthreomhar 15*2 3-6 Comhthreomhar 15*2 3-6
30*2 30*2

Zero Sequence Ct Current Transformer Donut Type

Ceisteanna Coitianta Táirge:

C: Cad is claochladán reatha seicheamh náid ct cineál donut?

Is gléas tríd an gclaochladán reatha seicheamh nialasach donut de chineál náid CT atá deartha chun sruthanna seicheamh nialasach a bhrath i gcórais trí phas. Ligeann a chroílár toroidal don phríomhsheoltóir dul tríd an ionad, ag soláthar monatóireachta neamh-ionsáite ar lochtanna talún, sruthanna sceite, agus coinníollacha inslithe.

C: Conas a dhéanann an cineál donut seicheamh náid ct comhartha aschur claochladán reatha?

A: Tiontaíonn an claochladán reatha seicheamh donut cineál náid ct sruth náid isteach i voltas comhréireach nó sruth tánaisteach ag baint úsáide as teicneolaíocht foirceannadh ardchruinneas agus coil Rogowski. Tá an t-aschur seo comhoiriúnach le hathsheachadáin, méadair, agus córais mhonatóireachta chun lochtanna a bhrath go tapa agus go cruinn.

C: Cad iad na feidhmeanna tipiciúla atá ag claochladán reatha seicheamh nialasach cineál donut ct?

A: úsáidtear claochladán reatha seicheamh nialasach de chineál donut ct go coitianta i:

Cosaint locht 1.Ground agus braite reatha sceite;

Monatóireacht pointe 2.Neutral i gcórais dáileacháin cumhachta;

3.Comhtháthú le hathsheachadáin cosanta digiteacha, feistí faoi chois armónach, agus córais monatóireachta greille cliste.

Trealamh 4.Industrial, ag tógáil líonraí leictreacha, agus córais idirthurais iarnróid.




Hot Tags: Seicheamh nialasach CT Trasfhoirmeoir Reatha, Cineál Donut CT, Trasfhoirmeoir Cosanta Locha Talún
Seol Fiosrúchán
Eolas teagmhála

Chun do luachan a fháil ASAP

XiFa-do sholáthraí iontaofa trealaimh leictrigh
X
Úsáidimid fianáin chun eispéireas brabhsála níos fearr a thairiscint duit, chun anailís a dhéanamh ar thrácht an tsuímh agus chun inneachar a phearsantú. Trí úsáid a bhaint as an suíomh seo, aontaíonn tú lenár n-úsáid a bhaint as fianáin. Beartas Príobháideachta
Diúltaigh Glac